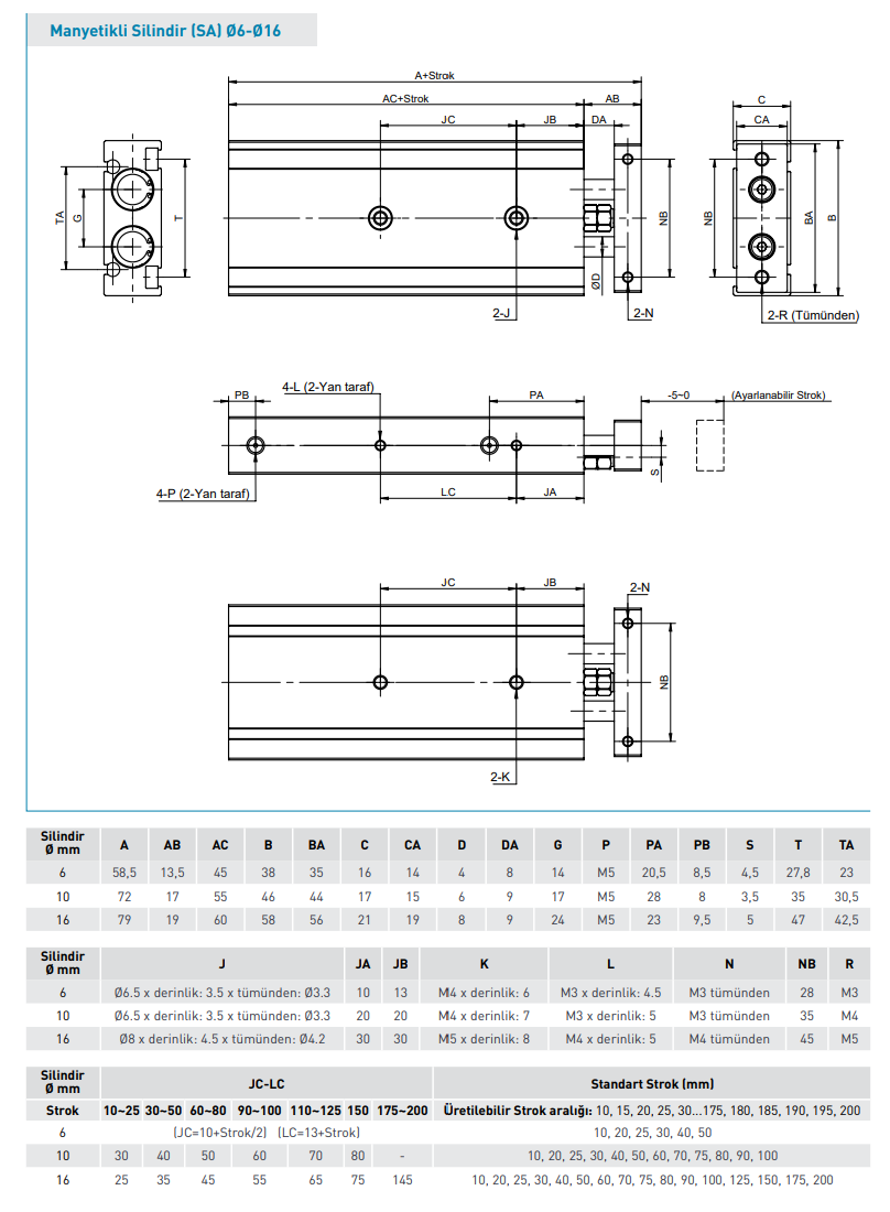
PDP Ø16 Serisi İkiz Pistonlu Manyetik Silindir


PDP Ø16 serisi ikiz pistonlu manyetik pnömatik silindir, çok kompakt ölçülerde daha dengeli kuvvet dağılımı ve stabil doğrusal hareket sağlamak amacıyla tasarlanmış bir pnömatik aktüatördür. Ø16 mm piston çapına sahip bu seri, sınırlı alanlarda hassas hareket gerektiren uygulamalar için uygundur.
İkiz pistonlu yapı, tek pistonlu mikro silindirlere kıyasla daha kararlı bir hareket sunar ve strok boyunca oluşabilecek titreşimleri azaltır. Manyetik piston özelliği sayesinde sensörler ile konum algılama yapılabilir; bu da otomasyon sistemlerinde kontrol ve tekrarlanabilirlik avantajı sağlar.
PDP Ø16 serisi pnömatik silindirler yaygın olarak:
-
Mikro otomasyon uygulamalarında
-
Elektronik ve hassas montaj hatlarında
-
Küçük parçaların itme–çekme işlemlerinde
-
Sensörlü ve kompakt pnömatik sistemlerde
kullanılır.
İkiz pistonlu mikro pnömatik silindir seçimi yapılırken; piston çapı (Ø16), strok uzunluğu, montaj alanı, çalışma basıncı ve sensör ihtiyacı dikkate alınmalıdır. Uygulamaya uygun olmayan seçimler, hareket kararsızlığına ve erken mekanik aşınmaya neden olabilir.
Bu ürün, kompakt alanlarda stabil ve sensör uyumlu pnömatik doğrusal hareket gerektiren uygulamalar için uygundur.
