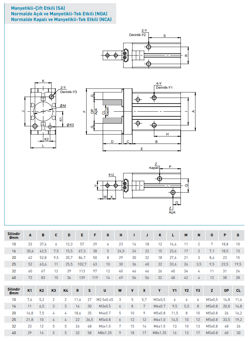
PGP Serisi Standart Manyetikli Paralel Tutucu (Gripper)



PGP serisi standart manyetikli paralel tutucu (gripper), pnömatik sistemlerde parçaların paralel çene hareketi ile kavranması ve bırakılması için kullanılan bir tutma ekipmanıdır. Paralel çene yapısı, parçanın her iki taraftan eş zamanlı ve dengeli şekilde tutulmasını sağlar.
Tutucu içerisindeki manyetik piston yapısı, sensörler aracılığıyla açık–kapalı konum bilgisinin algılanmasına imkân tanır. Bu özellik, otomasyon sistemlerinde proses güvenliğini artırır ve çevrim kontrolünü kolaylaştırır. Standart gövde yapısı, farklı makine ve robotik uygulamalara entegrasyonu kolaylaştırır.
PGP serisi paralel tutucular yaygın olarak:
-
Endüstriyel otomasyon ve montaj hatlarında
-
Robotik pick & place uygulamalarında
-
Hassas ve tekrarlanabilir parça tutma işlemlerinde
-
Sensörlü tutma kontrolü gerektiren pnömatik sistemlerde
kullanılır.
Paralel gripper seçimi yapılırken; tutma kuvveti, çene stroku, parça geometrisi, çalışma basıncı, manyetik sensör ihtiyacı ve montaj tipi dikkate alınmalıdır. Uygulamaya uygun olmayan tutucu seçimi, parça kaybına veya düzensiz kavramaya neden olabilir.
Bu ürün, paralel ve kontrollü kavrama gerektiren pnömatik tutma uygulamaları için uygundur.
