PVS Ø16 Serisi Manyetikli Paslanmaz Pnömatik Silindir


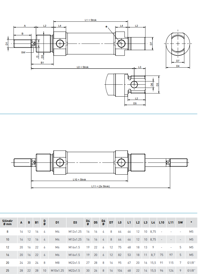
PVS Ø16 serisi manyetikli paslanmaz pnömatik silindir, basınçlı hava enerjisini doğrusal harekete dönüştüren, kompakt yapılı ve paslanmaz çelik gövdeli bir pnömatik aktüatördür. Ø16 mm piston çapı sayesinde düşük ve orta kuvvet gerektiren uygulamalarda hassas ve kontrollü hareket sağlar.
Paslanmaz gövde yapısı, nemli ve korozyon riski bulunan ortamlarda uzun ömürlü kullanım sunar. Manyetik piston tasarımı sayesinde reed switch ve benzeri sensörlerle konum algılama yapılabilir; bu da otomasyon sistemlerinde izleme ve kontrol kolaylığı sağlar.
PVS Ø16 serisi pnömatik silindir yaygın olarak:
-
Kompakt otomasyon ve makine uygulamalarında
-
Gıda, kimya ve proses hatlarında
-
Korozyona dayanım gerektiren ortamlarda
-
Sensörlü konum kontrolü istenen pnömatik sistemlerde
kullanılır.
Pnömatik silindir seçimi yapılırken; piston çapı (Ø16), strok uzunluğu, çalışma basıncı, montaj tipi, manyetik gereksinim ve ortam koşulları dikkate alınmalıdır. Uygulamaya uygun olmayan silindir seçimi, sistem hassasiyetinin azalmasına ve performans kaybına neden olabilir.
Bu ürün, küçük ölçekli ve hassas pnömatik hareket gerektiren uygulamalar için uygundur.
