PRS Ø32 Serisi Yastıklamalı ve Manyetikli Paslanmaz Silindir


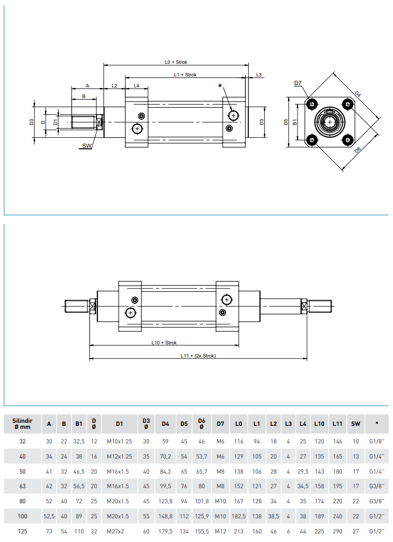
PRS Ø32 serisi yastıklamalı ve manyetikli paslanmaz pnömatik silindir, basınçlı hava enerjisini yüksek kuvvetli doğrusal harekete dönüştürmek amacıyla kullanılan, ağır hizmet tipi bir pnömatik aktüatördür. Ø32 mm piston çapı, yüksek itme ve çekme kuvveti gerektiren uygulamalar için tasarlanmıştır.
Paslanmaz çelik gövde yapısı, nemli, agresif ve korozyon riski bulunan ortamlarda güvenli ve uzun ömürlü kullanım sağlar. Silindir üzerinde bulunan yastıklama (cushioning) mekanizması, strok sonlarında oluşan darbe etkisini azaltarak daha kontrollü ve sarsıntısız hareket elde edilmesine yardımcı olur.
Manyetik piston yapısı sayesinde sensörlerle konum algılama yapılabilir; bu özellik, otomasyon sistemlerinde hassas kontrol ve izleme imkânı sunar.
PRS Ø32 serisi pnömatik silindir yaygın olarak:
-
Ağır hizmet tipi endüstriyel otomasyon sistemlerinde
-
Gıda, kimya ve proses tesislerinde
-
Büyük yüklerin itme–çekme ile hareket ettirildiği uygulamalarda
-
Yastıklamalı ve sensörlü hareket kontrolü gerektiren pnömatik sistemlerde
kullanılır.
Pnömatik silindir seçimi yapılırken; piston çapı (Ø32), strok uzunluğu, çalışma basıncı, yastıklama ihtiyacı, manyetik gereksinim, montaj tipi ve ortam koşulları mutlaka dikkate alınmalıdır. Uygulamaya uygun olmayan silindir seçimi, sistemde darbe, titreşim ve erken aşınmaya yol açabilir.
Bu ürün, yüksek kuvvet, kontrollü duruş ve korozyon dayanımı gerektiren pnömatik uygulamalar için uygundur.
